Descrizione sistema - Optipress-Industry
5.3 Installazioni miste
Per installazioni miste si intendono installazioni in cui i componenti di condutture quali tubi, fitting, flange, compensatori e rubinetteria sono realizzati in materiali metallici di diverso tipo. Nelle installazioni miste sussiste il rischio di corrosione da contatto dovuta a reazioni elettrochimiche. Per impedire la corrosione da contatto nelle installazioni miste è necessario osservare le seguenti regole:
-
I componenti di condutture in acciaio inossidabile non possono essere collegati direttamente con componenti di condutture in acciaio non legato o in rame. Per realizzare tali collegamenti è necessario impiegare elementi di collegamento idonei, ad esempio in bronzo.
-
I componenti di condutture in rame non possono essere montati a monte di componenti di condutture realizzati in materiali ferrosi zincati. Per evitare l’apporto di ioni di rame nei pezzi di tubo in acciaio zincato va presa in considerazione la direzione di flusso.
Le installazioni miste di Optipress-Industry con altri materiali per condutture omologati sono possibili senza pregiudizio per il sistema indipendentemente dalla direzione di flusso dell’acqua. Indipendentemente dal fatto che l’impianto da risanare sia un’installazione con tubi in rame o in acciaio zincato, il sistema Optipress-Industry con tubi in acciaio inossidabile nonché pressfitting e rubinetteria in bronzo o in acciaio inossidabile risulta particolarmente adatto.
Nelle condutture sprinkler e antincendio secondo VdS CEA 4001, la combinazione di componenti di diversi sistemi di condutture non è consentita.
Collegamento vecchio/nuovo:
Il collegamento con l’acciaio inossidabile agli altri materiali per condutture deve avvenire tramite pressfitting o rubinetteria in bronzo. In tal modo si evita una possibile corrosione da contatto dei tubi in acciaio zincato e dei tubi in rame.
Per la parte risanata è irrilevante se, guardando nella direzione di flusso, a monte o a valle di Optipress-Industry rimangano posati tubi in acciaio zincato o in rame. I raccordi, i pressfitting e la rubinetteria in bronzo della
5.3.1 Installazioni miste consentite con Optipress-Industry
Rispettando le regole menzionate sono possibili le seguenti installazioni miste omologate dal punto di vista della protezione contro la corrosione:
Nota
Corrosione da contatto in caso di montaggio non corretto
Quando si utilizzano manicotti passanti, i tubi all’interno del manicotto passante possono venire a contatto. Nel caso di tubi con materiali diversi, ciò può causare la corrosione da contatto.
- Quando si utilizzano manicotti passanti demarcare accuratamente la profondità d’innesto per assicurarsi che tubi in materiali diversi non vengano a contatto durante l’accoppiamento.
5.4 Isolamento tecnico
Gli isolamenti tecnici allʼinterno di impianti tecnici per l’edilizia devono soddisfare diversi requisiti. A seconda del campo d’impiego, tali requisiti dipendono dalla finalità di protezione. Gli isolamenti non fungono da protezione contro la corrosione per i componenti dell’impianto. Se gli isolamenti sono bagnati creano, per le superfici metalliche isolate, condizioni di corrosione diverse. I materiali isolanti possono trattenere l’umidità molto a lungo. Al loro interno possono pertanto accumularsi sostanze corrosive come ioni di cloruro e di nitrato. Gli impianti di acqua potabile per acqua fredda e acqua calda devono essere isolati contro la perdita di calore, contro il riscaldamento dell’acqua e il rumore nonché contro la condensa superficiale. Negli impianti di riscaldamento, l’isolamento ha il compito di evitare il più possibile i processi di scambio termico. Laddove l’impianto assolve anche a una funzione di raffreddamento ≥ +4 °C è necessario prestare particolare attenzione alle leggi fisiche.
Per gli spessori minimi dell’isolamento devono essere rispettate le leggi cantonali sull’energia (basate sul MoPEC). Nel caso delle condutture idrosanitarie è necessario attenersi alla SIA 380.3, mentre per le condutture di riscaldamento e raffrescamento alla SIA 384/1. Ulteriori raccomandazioni sono contenute nell’ISOLSUISSE.
5.5 Protezione contro la corrosione esterna
La tabella seguente riporta esempi di possibili situazioni costruttive e le misure di protezione adeguate:
|
Situazione costruttiva |
Misure di protezione |
Situazione costruttiva senza misure di protezione |
Situazione costruttiva con misure di protezione |
|---|---|---|---|
|
Attraversamenti di pareti e pavimenti In presenza di attraversamenti di pareti e pavimenti sussiste il pericolo che, durante la fase di costruzione e asciugatura di pareti e pavimenti, l’umidità penetri nei tubi. Il calcestruzzo e altri materiali da costruzione possono contenere sostanze corrosive in grado di attaccare sia tubi in acciaio al carbonio sia tubi in acciaio inossidabile. |
Nelle zone di attraversamenti di pareti e soffitti, l’impianto deve essere adeguatamente protetto, ad esempio con una guaina di protezione 83200 o con una fascia 83204. Il rivestimento deve essere applicato in modo tale da estendersi oltre l’attraversamento in direzione dell’ambiente circostante – e alle estremità deve essere isolato contro l’infiltrazione di acqua, ad esempio con un nastro adesivo di chiusura 83208. |
||
|
Posa incassata delle condutture, contatto con materiali da costruzione umidi contenenti cloruro I materiali da costruzione – ad esempio nei bettoncini – possono contenere sostanze che esercitano un’azione corrosiva sulle tubazioni non protette. Anche un’eventuale infiltrazione d’acqua durante la fase di costruzione può danneggiare le tubazioni. |
L’impianto deve essere protetto rendendolo privo di pori. A tale scopo si può, ad esempio, utilizzare la guaina di protezione 83200 abbinata al nastro adesivo di chiusura 83208 e alla fascia 83204. |
||
|
Posa delle condutture in ambienti con gas e vapori corrosivi Sono interessati gli ambienti con aria ad azione corrosiva come, ad esempio, aria arricchita con ammoniaca, acido nitrico, cloro, acidi cloridrici o gas serra contenenti CFC. Si tratta, ad esempio, di stalle, locali in cui vengono eseguiti processi galvanici, aree di piscine, latterie o caseifici, IDA o ambienti in cui vengono immagazzinati detergenti. |
Ove possibile è consigliabile prevedere una modifica nella posa delle condutture. Se tale modifica non è realizzabile, l’impianto deve essere dotato di una protezione adeguata. A tale scopo si può, ad esempio, utilizzare una vernice protettiva o la guaina di protezione 83200 abbinata al nastro adesivo di chiusura 83208 e alla fascia 83204. |
Protezione contro la corrosione esterna – situazioni costruttive e misure di protezione
In tutte le situazioni indicate, l’impianto (tubi e fitting) deve essere adeguatamente protetto con isolanti privi di cloruri. Soprattutto durante la fase di costruzione sussiste un rischio elevato che l’umidità possa infiltrarsi fino alle tubazioni non protette e, in seguito, provocare danni da corrosione.
Nelle zone a rischio viene raccomandato l’impiego della guaina di protezione 83200.
Le estremità devono essere sigillate in modo da impedire l’infiltrazione di acqua sotto il rivestimento, ad esempio utilizzando il nastro adesivo di chiusura 83208.
Compra ora
5.6 Impianti di pressurizzazione (stazioni di pompaggio)
Gli impianti di pressurizzazione non possono produrre colpi d’ariete non consentiti. Le oscillazioni e le vibrazioni che potrebbero danneggiare gli impianti Optipress devono essere ammortizzate adottando misure adeguate oppure impedendone la trasmissione alle tubazioni. In tali impianti si raccomanda l’installazione degli ammortizzatori dei colpi d’ariete.
5.7 Cavi riscaldanti ad alimentazione elettrica
Sui tubi Optipress possono essere impiegati cavi riscaldanti ad alimentazione elettrica. A tale riguardo è necessario osservare i punti seguenti:
-
Le tubazioni chiuse da valvole d’intercettazione non possono essere riscaldate poiché un aumento della temperatura in un sistema chiuso determina un aumento della pressione non consentito.
-
La temperatura d’esercizio dell’acqua calda non deve superare i 60 °C (è possibile un breve riscaldamento a 70 °C per la disinfezione termica).
-
Nelle immediate vicinanze dei cavi riscaldanti ad alimentazione elettrica può verificarsi una concentrazione di ioni di cloruro. A una temperatura nominale superiore ai 45 °C, il contenuto di ioni di cloruro nell’acqua potabile deve pertanto essere al massimo pari a 250 mg/l.
-
È necessario attenersi alle istruzioni di montaggio e d’uso dei produttori dei cavi riscaldanti ad alimentazione elettrica.
5.8 Compensazione del potenziale
Le tubazioni in metallo presentano proprietà di conducibilità elettrica e devono pertanto essere considerate nella compensazione del potenziale.
Per evitare danni da corrosione causati da correnti di perdita è necessario osservare le seguenti avvertenze:
-
Quando si realizzano sistemi di condutture completi o parziali oppure quando essi vengono sostituiti nell’ambito di un risanamento, la compensazione del relativo potenziale deve essere verificata da un elettricista specializzato.
-
In linea di principio, per evitare fenomeni di corrosione le tubazioni metalliche non dovrebbero svolgere una funzione di messa a terra. Si veda anche il foglio d’istruzioni suissetec «Messa a terra tramite le condotte di allacciamento dell’immobile all’acqua».
-
Per la separazione elettrica degli impianti e per evitare le correnti di perdita è possibile impiegare il raccordo isolante Optipress-Aquaplus 81042 e, per i collegamenti a flangia, la bussola a colletto 81042.
5.9 Trasporto e immagazzinamento di tubi, fitting e rubinetteria
Per l’immagazzinamento e il trasporto dei componenti di sistema vanno osservate le seguenti avvertenze:
- Tenere i materiali al riparo dagli influssi ambientali (sporcizia, umidità , calore, gelo, raggi UV, sostanze chimiche).
- Provvedere a uno stoccaggio separato dei differenti materiali (W3/C2:2020, 7.4).
- Rimuovere gli imballaggi e i cappucci di protezione solo poco prima della lavorazione.
- Chiudere i componenti dell’impianto non pronti con cappucci e tappi di chiusura per impedire la penetrazione di sporcizia.
- Proteggere tubi, fitting e rubinetteria dalla penetrazione di impurità applicando tappi di chiusura o adottando misure similari.
5.10 Utensili
Con le pressatrici elettroidrauliche della
La pressatrice tipo 7 (32 kN) può essere impiegata con alimentazione sia da rete elettrica sia da batteria permettendo di lavorare dimensioni da 15 a 108. La pressatrice a batteria Picco IV (24 kN), con un peso di soli 1.82 kg, è particolarmente leggera e compatta – e permette di lavorare dimensioni da 15 a 35.
Compra ora
5.11 Fissaggio dei tubi
I tubi possono essere fissati con i braccialetti disponibili nel programma di fornitura della
Per il fissaggio dei tubi vanno osservati i punti seguenti:
-
Negli impianti sprinkler a norma VdS, nessun componente del supporto del tubo può essere realizzato in materiale infiammabile (VdS CEA 4001, cap. 12).
-
L’isolamento acustico dei braccialetti deve essere dotato di inserti fonoisolanti privi di cloruri.
-
Distanze di fissaggio eccessive possono produrre vibrazioni e, di conseguenza, rumore.
Ulteriori informazioni al riguardo sono reperibili nel documento della
|
DN |
Diametro esterno del tubo |
Distanza di fissaggio tubi in stanghe |
|---|---|---|
|
[mm] |
[m] |
|
|
 12 |
 15 |
1.25 |
|
 15 |
 18 |
1.50 |
|
 20 |
 22 |
2.00 |
|
 25 |
 28 |
2.25 |
|
 32 |
 35 |
2.75 |
|
 40 |
 42 |
3.00 |
|
 50 |
 54 |
3.50 |
|
 60 |
 64 |
4.00 |
|
 65 |
 76.1 |
4.25 |
|
 80 |
 88.9 |
4.75 |
|
100 |
108 |
5.00 |
Valori indicativi delle distanze di fissaggio dei tubi in acciaio inossidabile e dei tubi in acciaio zincato.
5.12 Posa dei tubi
5.12.1 Lunghezza minima del tubo fra due pressature
Per garantire la tenuta ineccepibile del raccordo a pressare è necessario rispettare la lunghezza minima del tubo fra due pressature in funzione del diametro del tubo.
|
L |
Lunghezza minima del tubo |
|
a |
Distanza minima |
|
E |
Profondità d’innesto |
|
Diametro esterno del tubo |
Profondità d’innesto E |
L |
a |
|---|---|---|---|
|
[mm] |
[mm] |
[mm] |
[mm] |
|
15 |
22 |
44 |
0 |
|
18 |
22 |
44 |
0 |
|
22 |
24 |
48 |
0 |
|
28 |
24 |
48 |
0 |
|
35 |
26 |
62 |
10 |
|
42 |
36 |
87 |
15 |
|
54 |
40 |
105 |
25 |
|
64 |
43 |
101 |
15 |
|
76.1 |
50 |
115 |
15 |
|
88.9 |
50 |
115 |
15 |
|
108 |
60 |
135 |
15 |
Lunghezza minima del tubo fra due pressature
5.12.2 Spazio minimo necessario per il processo di pressatura
Per una posa a regola d’arte, in fase di progettazione è necessario tenere conto delle distanze minime tra le tubazioni o tra la tubazione e la struttura delle pareti e dei soffitti.
Per le distanze minime si veda la tabella sottostante.
|
Optipress fino a Ø 54 mm |
||
|
|
|
|
|
Optipress Ø 64-108 mm |
|
|
|
|
Distanze minime
|
Diametro esterno del tubo |
A |
B |
C |
D |
E |
F |
|---|---|---|---|---|---|---|
|
[mm] |
[mm] |
[mm] |
[mm] |
[mm] |
[mm] |
[mm] |
|
15 |
 20 |
 55 |
35 |
 40 |
 65 |
130 |
|
18 |
 20 |
 60 |
35 |
 40 |
 75 |
130 |
|
22 |
 25 |
 60 |
35 |
 40 |
 80 |
165 |
|
28 |
 25 |
 70 |
35 |
 50 |
 85 |
165 |
|
35 |
 30 |
 85 |
50 |
 50 |
 95 |
185 |
|
42 |
 45 |
100 |
50 |
 70 |
115 |
255 |
|
54 |
 50 |
115 |
55 |
 80 |
140 |
300 |
|
64 |
105 |
180 |
— |
125 |
180 |
— |
|
76.1 |
110 |
185 |
— |
130 |
185 |
— |
|
88.9 |
120 |
200 |
— |
145 |
200 |
— |
|
108 |
135 |
215 |
— |
155 |
215 |
— |
Distanze minime.
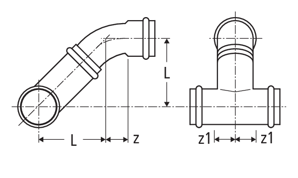
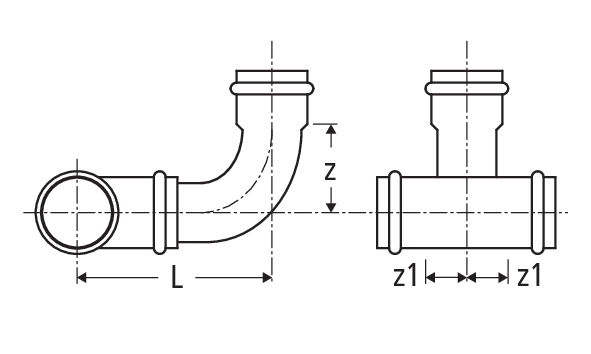
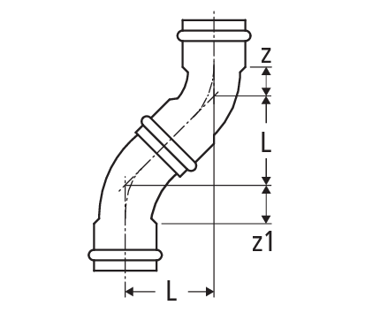
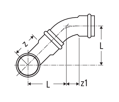
5.12.3 Misure delle combinazioni di pressfitting Optipress-Industry
|
Combinazione Optipress-Industry 80300Â / 80301 |
||||||||||||||||||||||||||||||||
|---|---|---|---|---|---|---|---|---|---|---|---|---|---|---|---|---|---|---|---|---|---|---|---|---|---|---|---|---|---|---|---|---|
|
15 |
18 |
22 |
28 |
35 |
42 |
54 |
64 |
76.1 |
88.9 |
108 |
||||||||||||||||||||||
|
L |
z |
z1 |
L |
z |
z1 |
L |
z |
z1 |
L |
z |
z1 |
L |
z |
z1 |
L |
z |
z1 |
L |
z |
z1 |
L |
z |
z1 |
L |
z |
z1 |
L |
z |
z1 |
L |
z |
z1 |
|
56 |
16 |
16 |
59 |
18 |
18 |
76 |
26 |
26 |
93 |
34 |
34 |
95 |
33 |
33 |
138 |
50 |
50 |
172 |
65 |
65 |
— |
— |
— |
246 |
99 |
99 |
277 |
115 |
115 |
333 |
138 |
138 |
|
Combinazione Optipress-Industry 80303Â / 80304 |
||||||||||||||||||||||||||||||||
|---|---|---|---|---|---|---|---|---|---|---|---|---|---|---|---|---|---|---|---|---|---|---|---|---|---|---|---|---|---|---|---|---|
|
15 |
18 |
22 |
28 |
35 |
42 |
54 |
64 |
76.1 |
88.9 |
108 |
||||||||||||||||||||||
|
L |
z |
z1 |
L |
z |
z1 |
L |
z |
z1 |
L |
z |
z1 |
L |
z |
z1 |
L |
z |
z1 |
L |
z |
z1 |
L |
z |
z1 |
L |
z |
z1 |
L |
z |
z1 |
L |
z |
z1 |
|
26 |
7 |
7 |
28 |
7 |
7 |
33 |
11 |
11 |
37 |
14 |
14 |
40 |
15 |
15 |
57 |
21 |
21 |
68 |
27 |
27 |
— |
— |
— |
98 |
46 |
46 |
107 |
52 |
52 |
127 |
61 |
61 |
|
Combinazione Optipress-Industry 80300Â / 80304 |
||||||||||||||||||||||||||||||||
|---|---|---|---|---|---|---|---|---|---|---|---|---|---|---|---|---|---|---|---|---|---|---|---|---|---|---|---|---|---|---|---|---|
|
15 |
18 |
22 |
28 |
35 |
42 |
54 |
64 |
76.1 |
88.9 |
108 |
||||||||||||||||||||||
|
L |
z |
z1 |
L |
z |
z1 |
L |
z |
z1 |
L |
z |
z1 |
L |
z |
z1 |
L |
z |
z1 |
L |
z |
z1 |
L |
z |
z1 |
L |
z |
z1 |
L |
z |
z1 |
L |
z |
z1 |
|
33 |
16 |
7 |
35 |
18 |
7 |
43 |
26 |
11 |
52 |
34 |
14 |
53 |
33 |
15 |
77 |
50 |
21 |
95 |
65 |
27 |
— |
— |
— |
136 |
99 |
46 |
151 |
115 |
52 |
182 |
138 |
61 |
|
Combinazione Optipress-Industry 80310Â / 80301 |
|||||||||||||||||||||||||||||||||
|---|---|---|---|---|---|---|---|---|---|---|---|---|---|---|---|---|---|---|---|---|---|---|---|---|---|---|---|---|---|---|---|---|---|
|
15 |
18 |
22 |
28 |
35 |
42 |
54 |
64 |
76.1 |
88.9 |
108 |
|||||||||||||||||||||||
|
L |
z |
z1 |
L |
z |
z1 |
L |
z |
z1 |
L |
z |
z1 |
L |
z |
z1 |
L |
z |
z1 |
L |
z |
z1 |
L |
z |
z1 |
L |
z |
z1 |
L |
z |
z1 |
L |
z |
z1 |
|
|
15 |
62 |
16 |
19 |
62 |
16 |
21 |
65 |
16 |
22 |
69 |
16 |
21 |
73 |
16 |
19 |
— |
— |
— |
— |
— |
— |
— |
— |
— |
— |
— |
— |
— |
— |
— |
— |
— |
— |
|
18 |
— |
— |
— |
64 |
18 |
21 |
66 |
18 |
22 |
70 |
18 |
21 |
74 |
18 |
19 |
77 |
18 |
19 |
— |
— |
— |
— |
— |
— |
— |
— |
— |
— |
— |
— |
— |
— |
— |
|
22 |
— |
— |
— |
— |
— |
— |
77 |
26 |
24 |
81 |
26 |
23 |
84 |
26 |
21 |
88 |
26 |
19 |
94 |
26 |
18 |
— |
— |
— |
97 |
26 |
24 |
104 |
26 |
24 |
113 |
26 |
24 |
|
28 |
— |
— |
— |
— |
— |
— |
— |
— |
— |
88 |
34 |
28 |
92 |
34 |
27 |
96 |
34 |
25 |
102 |
34 |
21 |
— |
— |
— |
106 |
34 |
27 |
113 |
34 |
27 |
122 |
34 |
27 |
|
35 |
— |
— |
— |
— |
— |
— |
— |
— |
— |
— |
— |
— |
89 |
33 |
27 |
92 |
33 |
25 |
98 |
33 |
25 |
— |
— |
— |
110 |
33 |
30 |
116 |
33 |
30 |
126 |
33 |
30 |
|
42 |
— |
— |
— |
— |
— |
— |
— |
— |
— |
— |
— |
— |
— |
— |
— |
120 |
50 |
32 |
126 |
50 |
29 |
— |
— |
— |
138 |
50 |
34 |
144 |
50 |
34 |
154 |
50 |
34 |
|
54 |
— |
— |
— |
— |
— |
— |
— |
— |
— |
— |
— |
— |
— |
— |
— |
— |
— |
— |
146 |
65 |
39 |
— |
— |
— |
158 |
65 |
40 |
164 |
65 |
40 |
174 |
65 |
40 |
|
64 |
— |
— |
— |
— |
— |
— |
— |
— |
— |
— |
— |
— |
— |
— |
— |
— |
— |
— |
— |
— |
— |
— |
— |
— |
— |
— |
— |
— |
— |
— |
— |
— |
— |
|
76.1 |
— |
— |
— |
— |
— |
— |
— |
— |
— |
— |
— |
— |
— |
— |
— |
— |
— |
— |
— |
— |
— |
— |
— |
— |
201 |
99 |
51 |
207 |
99 |
51 |
218 |
99 |
51 |
|
88.9 |
— |
— |
— |
— |
— |
— |
— |
— |
— |
— |
— |
— |
— |
— |
— |
— |
— |
— |
— |
— |
— |
— |
— |
— |
— |
— |
— |
223 |
115 |
57 |
231 |
115 |
57 |
|
108 |
— |
— |
— |
— |
— |
— |
— |
— |
— |
— |
— |
— |
— |
— |
— |
— |
— |
— |
— |
— |
— |
— |
— |
— |
— |
— |
— |
— |
— |
— |
265 |
138 |
67 |
|
Combinazione Optipress-Industry 80310Â / 80304 |
|||||||||||||||||||||||||||||||||
|---|---|---|---|---|---|---|---|---|---|---|---|---|---|---|---|---|---|---|---|---|---|---|---|---|---|---|---|---|---|---|---|---|---|
|
15 |
18 |
22 |
28 |
35 |
42 |
54 |
64 |
76.1 |
88.9 |
108 |
|||||||||||||||||||||||
|
L |
z |
z1 |
L |
z |
z1 |
L |
z |
z1 |
L |
z |
z1 |
L |
z |
z1 |
L |
z |
z1 |
L |
z |
z1 |
L |
z |
z1 |
L |
z |
z1 |
L |
z |
z1 |
L |
z |
z1 |
|
|
15 |
37 |
7 |
19 |
37 |
7 |
21 |
39 |
7 |
22 |
42 |
7 |
21 |
45 |
7 |
19 |
— |
— |
— |
— |
— |
— |
— |
— |
— |
— |
— |
— |
— |
— |
— |
— |
— |
— |
|
18 |
— |
— |
— |
38 |
7 |
21 |
40 |
7 |
22 |
42 |
7 |
21 |
45 |
7 |
19 |
47 |
7 |
19 |
— |
— |
— |
— |
— |
— |
— |
— |
— |
— |
— |
— |
— |
— |
— |
|
22 |
— |
— |
— |
— |
— |
— |
44 |
11 |
24 |
47 |
11 |
23 |
49 |
11 |
21 |
52 |
11 |
19 |
56 |
11 |
18 |
— |
— |
— |
58 |
11 |
24 |
63 |
11 |
24 |
69 |
11 |
24 |
|
28 |
— |
— |
— |
— |
— |
— |
— |
— |
— |
48 |
14 |
28 |
51 |
14 |
27 |
54 |
14 |
25 |
58 |
14 |
21 |
— |
— |
— |
61 |
14 |
27 |
66 |
14 |
27 |
72 |
14 |
27 |
|
35 |
— |
— |
— |
— |
— |
— |
— |
— |
— |
— |
— |
— |
49 |
15 |
27 |
51 |
15 |
25 |
55 |
15 |
25 |
— |
— |
— |
64 |
15 |
30 |
68 |
15 |
30 |
75 |
15 |
30 |
|
42 |
— |
— |
— |
— |
— |
— |
— |
— |
— |
— |
— |
— |
— |
— |
— |
64 |
21 |
32 |
69 |
21 |
29 |
— |
— |
— |
77 |
21 |
34 |
81 |
21 |
34 |
88 |
21 |
34 |
|
54 |
— |
— |
— |
— |
— |
— |
— |
— |
— |
— |
— |
— |
— |
— |
— |
— |
— |
— |
76 |
27 |
39 |
— |
— |
— |
85 |
27 |
40 |
89 |
27 |
40 |
96 |
27 |
40 |
|
64 |
— |
— |
— |
— |
— |
— |
— |
— |
— |
— |
— |
— |
— |
— |
— |
— |
— |
— |
— |
— |
— |
— |
— |
— |
— |
— |
— |
— |
— |
— |
— |
— |
— |
|
76.1 |
— |
— |
— |
— |
— |
— |
— |
— |
— |
— |
— |
— |
— |
— |
— |
— |
— |
— |
— |
— |
— |
— |
— |
— |
104 |
46 |
51 |
108 |
46 |
51 |
116 |
46 |
51 |
|
88.9 |
— |
— |
— |
— |
— |
— |
— |
— |
— |
— |
— |
— |
— |
— |
— |
— |
— |
— |
— |
— |
— |
— |
— |
— |
— |
— |
— |
113 |
52 |
57 |
119 |
52 |
57 |
|
108 |
— |
— |
— |
— |
— |
— |
— |
— |
— |
— |
— |
— |
— |
— |
— |
— |
— |
— |
— |
— |
— |
— |
— |
— |
— |
— |
— |
— |
— |
— |
134 |
61 |
67 |
5.13 Taglio a misura dei tubi
I tubi possono essere tagliati con un seghetto per metallo a dentatura fine, con un tagliatubi (acciaio inossidabile con lama speciale), con una sega circolare automatica o una sega a nastro (acciaio inossidabile con lame di taglio speciali).
Eventuali errori di lavorazione durante il taglio dei tubi possono causare danni da corrosione. È pertanto necessario osservare i punti seguenti:
-
Non è consentito l’utilizzo di lubrificanti.
-
Il taglio a misura dei tubi non può essere effettuato con un cannello ossidrico.
-
Il taglio a misura dei tubi può essere effettuato con smerigliatrici adatte.
-
Le decolorazioni dovute al calore (colori di ossidazione) dovute alla pressione o al numero di giri troppo elevato devono essere completamente eliminate.
-
Prima dell’inserimento nel pressfitting, le estremità del tubo devono essere sbavate esternamente e internamente nonché pulite.
-
La
Nussbaum raccomanda di utilizzare utensili specifici per il materiale da lavorare.
5.14 Piegatura dei tubi
Non è consentito piegare a caldo i tubi in acciaio inossidabile e i tubi in acciaio. I tubi di sistema possono essere piegati a freddo utilizzando dispositivi di piegatura idonei.
Il relativo raggio di curvatura minimo non deve essere inferiore a r = 3.5 × diametro esterno del tubo (D).
Se vicino ai punti di piegatura sono presenti pressfitting bisogna accertarsi che sia presente un pezzo di tubo cilindrico abbastanza lungo (valore indicativo 50 mm) per l’inserimento.
5.15 Realizzazione di un collegamento Optipress
Le istruzioni per la realizzazione di un collegamento Optipress sono disponibili sul sito www.nussbaum.ch, 👉 Istruzioni di montaggio 299.1.007.
5.16 Collegamenti filettati
Per i collegamenti filettati all’interno di un sistema d’installazione è necessario realizzare dapprima i collegamenti filettati e successivamente i raccordi a pressare al fine di evitare inutili tensioni da torsione.
Nel caso di collegamenti filettati in acciai inossidabili, se si utilizzano due materiali identici come, ad esempio, acciaio 1.4401 potrebbe verificarsi una saldatura a freddo o un grippaggio. Per evitare tali inconvenienti, i collegamenti di questo tipo devono essere dotati di un grasso idoneo.
Materiali isolanti contenenti cloruro utilizzati per l’impermeabilizzazione dei collegamenti filettati possono causare danni da corrosione. Per l’impermeabilizzazione di collegamenti filettati vanno pertanto impiegati esclusivamente canapa priva di cloro comunemente reperibile in commercio e materiali isolanti privi di cloruri. Non è consentito l’impiego di nastri ermetici per filettature in materiale sintetico, ad esempio in PTFE.
5.17 Collegamenti a flangia
Per i collegamenti a flangia o i raccordi nei sistemi d’installazione vanno sempre realizzati dapprima i collegamenti a flangia e i collegamenti a vite – successivamente i raccordi a pressare.
Nel caso di collegamenti a flangia con viti e dadi in acciai inossidabili, se si utilizzano due materiali identici come, ad esempio, acciaio 1.4401 potrebbe verificarsi una saldatura a freddo o un grippaggio. Per evitare tali inconvenienti, la
5.17.1 Realizzare collegamenti a flangia
- Prima dell’utilizzo pulire la superficie di tenuta e la guarnizione.
- Assicurarsi che la guarnizione sia posta correttamente sulla superficie di tenuta.
- Realizzare i collegamenti a vite. Utilizzare sempre tutte le viti e serrarle in sequenza a croce (vedi immagine).
5.18 Prova di pressione
Prima della messa in servizio è necessario eseguire una prova di pressione. Per le prove di tenuta di collegamenti della
Informazioni dettagliate sulla prova di pressione sono contenute nel documento